智能灌溉系统设计与实现_董佳
第38卷 第3期
2021年8月
河 北 省 科 学 院 学 报
JournaloftheHebeiAcademyofSciences
Vol.38No.3 Aug.2021
文章编号:1001-9383(2021)03-0014-06
智能灌溉系统设计与实现
董 佳,梅 欢,刘利军,盖素丽
(河北省科学院 应用数学研究所,石家庄 050081)
摘 要:设计了一套智能灌溉系统,该系统由气象信息和土壤墒情采集与控制模块、通讯服务模块、数据云模块组成。该系统可以对灌区气象信息、土壤墒情、设备运行状态进行采集,根据专家经验实现最优灌溉,并实现了农田信息的可视化,提升了农田灌溉的自动化、信息化水平,为农业发展提供信息化支撑,对智慧农业的发展具有重要意义。
关键词:智能灌溉;可视化;物联网;人机交互界面
中图分类号:TP391 文献标识码:A
DOI:10.16191/j.cnki.hbkx.2021.03.003
Designandimplementofintelligentirrigationsystem
DONGJia,MEIHuan,LIULi-jun,GESu-li
(Instituteof Applied Mathematics,HebeiAcademyofSciences,Shijiazhuang Hebei050081,China)
Abstract:Anintelligentirrigationsystem composedof meteorologicalinformationandsoil moistureacquisitionandcontrolmodule,communicationservicemodule,anddatacloudmod- uleisdesigned.Themeteorologicalinformation,soilmoistureandoperatingstatusofequip- mentsarecollectedbythissystem,andaccordingtoexpertexperience,optimalirrigationis achieved,meanwhile,visualizationoffarmlandinformationisimplemented.Theautomation andinformationdegreeoffarmlandirrigationareimprovedbythesystem,whichprovidesin- formationsupportforthedevelopmentofagriculture,andithasgreatsignificancetothede- velopmentofintelligentagriculture.
Keywords:Intelligentirrigation;Visualization;Internetofthings;HMI
![]()
0 引 言
我国传统灌溉方式较为粗放,水资源利用率较低,灌溉的自动化、信息化程度与农业发达国家有较大差距,推广实施节水节能的智能灌溉,改变当前普遍存在的粗放管理方式,提高灌溉水利用率,已成为我国缓解水资源危机和实现农业现代化的必然选择[1-2]。国外已有发展
![]()
收稿日期:2021-05-10
基金项目:河北省科学院科技攻关资助项目(20608)
作者简介:董 佳(1985-),男,河北石家庄人,硕士,工程师,研究方向为先进控制、智能控制与优化.
![]()
![]()
![]()
![]()
农业的成功案例,例如:荷兰的文络温室,日本的植物工厂,以色列的滴灌技术,为我国农业的发展提供经验和启发。随着农业与自动控制技术、物联网技术、区块链技术、人工智能技术的深度融合[3-7],必将形成我国农业发展的新格局。
本研究的智能灌溉系统利用自动控制技术、物联网技术、可视化技术,实现了大面积农田种植的精准灌溉,提升农业种植的自动化和信息化水平,降低劳动强度,提高水资源利用率,为智慧农业的发展奠定坚实基础。
1 系统总体设计
智能灌溉系统根据分布在田间的气象传感器及土壤墒情传感器,采集气象数据及土壤墒情数据,将其转换为数字信号,采用无线通讯方式,将数据存储到云端,并依据这些数据及农作物在不同生长周期的需水量和施肥量,进行专家决策,进而对水泵、计量泵和电磁阀等田间设备进行远程控制,实现农作物的智能灌溉,从而提高农作物的产量及品质,同时提高土壤水分利用率。该系统还可以通过农田现场的人机交互界面,实现系统初始化、灌溉设备的就地控制、灌溉规则的设定等功能。智能灌溉系统的框图如图1所示。

图1 智能灌溉系统框图
2 系统硬件设计
智能灌溉系统硬件采用模块化设计,主要包括气象信息和土壤墒情采集与控制模块,通讯服务模块。其中,气象信息和土壤墒情采集与控制模块由气象信息和土壤墒情采集单元、中心控制单元、继电器单元、水泵控制单元、计量泵控制单元、人机交互单元组成。由于气象信息和土壤墒
![]()
![]()
![]()
情采集单元、人机交互单元、通讯服务单元已有成熟产品,故不再对其进行设计,直接采用成熟产品。中心控制单元、水泵控制单元、计量泵控制单元及继电器单元的硬件结构图如图2所示。

图2 硬件结构图
2.1 中心控制单元硬件设计
中心控制单元的控制器选用STM32F103VET6,通过控制器的IO 管脚驱动继电器单元, 采用 UART 方式与人机交互单元和通讯服务模块建立通信,通过 CAN 总线与水泵控制单元和计量泵控制单元建立通信。该硬件系统的供电电压为 DC24V,中心控制单元需要 DC5V 和 DC3.3V 两种电压,选用 LM2596S-5 输出5V 电压,选用 LM1117DTX-3.3 输出3.3V 电压,并在输出端增加滤波电路,电压变换电路如图3所示。
图3 电压变换电路
![]()
![]()
![]()
该系统的通讯服务模块选用山东有人公司的 WH-LTE-7S4V2模块,该模块采用 DC5V电压供电,采用 UART 通信方式与控制器实现串行通信,能够实现 UART 转4G 双向透传功能,支持 TCP、UDP 协议和注册 包/心 跳包机制[8-10]。通 讯服务模块的接口电路如图 4 所示。

图4 通讯服务模块接口电路
2.2 水泵控制单元硬件设计
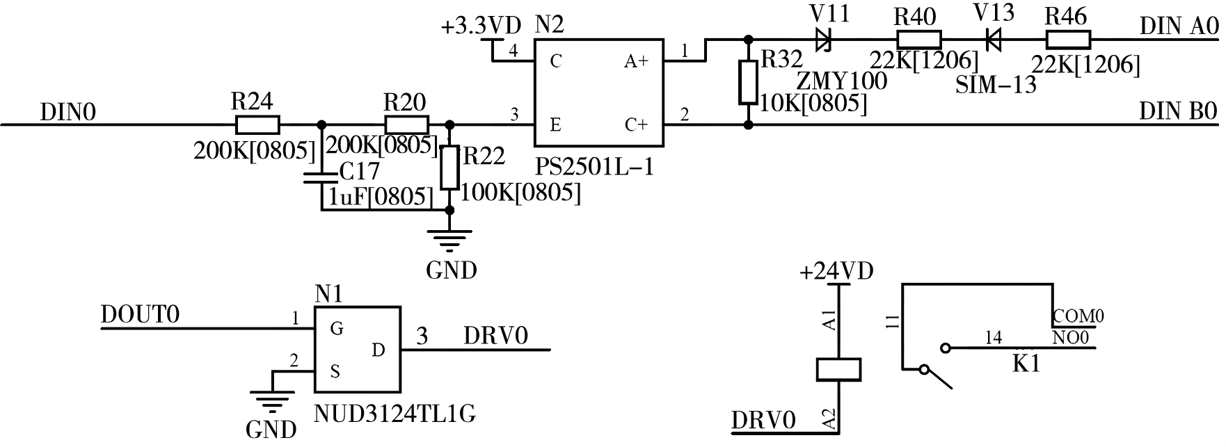
水泵控制单元与计量泵控制单元的硬件设计完全相同,只在程序中加以区分。该控制单元选用STM32F072CBT6作为控制器,设计模拟量输入输出电路和数字量输入输出电路,用于设定和采集管道压力,启动变频器及检测变频器的运行状态。变频器的启动信号采用无源输入,通过控制器驱动 NUD3124LT1G 芯片,进而驱动继电器动作,利用继电器的干接点实现信号输入;变频器的运行状态反馈信号是 AC220V 电压信号,采用 PS2501L-1 实现电压隔离变换,将 AC220V 高电压转换为控制器可接收的 DC3.3V 电压,数字量输入输出电路如图5所示。

图5 数字量输入输出电路
![]()
2.3 继电器单元硬件设计
继电器单元选用 ULN2803AN 驱动芯片,其输入端用于接收中心控制单元控制器的驱动
![]()
![]()
![]()
信号,输出端用于驱动继电器的线圈和状态指示灯。继电器单元电路如图6所示。

图6 继电器单元电路
3 系统软件设计
通过对智能灌溉控制系统整体功能的需求分析,将数据云模块需要实现的功能进行模块划分如图7所示。
3.1 硬件资源分配
包括农场管理、气象信息分配管理、田间控制柜分配管理等。这是系统的初始操作,将 现场硬件控制装置,与农场,用户做初始设置。3.2 灌溉管理
针对不同农作物的需水量不同,可以对该
农场的电磁阀进行分组配置,设定不同的轮灌时间,通过通信协议,远程控制电磁阀、水泵、计量泵等现场设备,实现智能灌溉。
3.3 可视化展示

图7 数据云模块功能图
为了进一步提升用户的交互体验,该功能将气象信息、土壤墒情、田间灌溉设备运行状态进行可视化展示,包括日照强度、风向、风速、降雨量、空气温度、空气湿度、土壤温湿度、水泵和计量泵,以及电磁阀的运行状态。气象信息和土壤墒情可视化界面如图8所示。
4 结 论
本文针对农田灌溉需求,设计了气象信息和土壤墒情采集与控制模块,能够实时采集气象数据、土壤墒情数据、现场设备运行状态;搭建数据云模块,存储气象数据、土壤墒情数据、专家控制规则、轮灌计划;通过 Web服务功能,农田管理人员能够实现农场数据的远程监测、现场设备的远程控制,实现智能灌溉决策;基于可视化技术实现农田气象信息、土壤墒情、灌溉设备
![]()
![]()
![]()

图8 可视化界面
运行状态的展示,提升用户交互体验。该系统的应用能够有效提升农田灌溉中水资源的利用率,提升农田灌溉的自动化及信息化水平,为区块链在农业中的应用及智慧农业的发展奠定坚实基础。
参考文献:
[1] 陈艳丽,谢芳.基于ZigBee的农田智能节水灌溉系统的设计[J].中国农机化学报,2017,38(2):81-83.
[2] 国家农业节水纲要(2012-2020年)[N].中国水利报,2012-121-20(002).
[3] 刘炳铄,兰鹏,魏珉,等.轻简水肥一体化系统设计与实现[J].节水灌溉,2021,(2):75-79.
[4] 郑熙.区块链技术在农业领域中的应用前景与挑战分析[J].南方农业,2017,11(26):39-42.
[5] 彭炫,常翠平,周建平,等.太阳能智能灌溉阀门控制器设计与应用[J].节水灌溉,2020,(9):39-42.
[6] 刘艳昌,赵海生,张平川,等.基于机器人的盆栽作物生长环境智能监控系统设计[J].中国农机化学报,2019,40(11):
181-188.
[7] 梁彦.基于 PLC 的马铃薯播种机施肥控制系统研究[J].农机化研究,2020,(10):231-234.
[8] 济南有人物联网技术有限公司.WH-LTE-7S4 V2硬件设计手册[EB/OL].https://www.usr.cn/Down/WH-LTE-7S4- V2_hareware_V1.0.3.pdf,2020.
[9] 韩洪杰,钱彬.基于 GPRS和ZigBee通讯协议的棉田施肥控制系统[J].农机化研究,2020,(11):188-192.
[10] 师志刚,刘群昌,白美健,等.基于物联网的水肥一体化智能灌溉系统设计及效益分析[J].水资源与水工程学报,2017,
28(3):221-227.
![]()